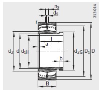
我们-21318-E1-K-調心滾子軸承-河北绵阳春洁精密制造有限责任公司

全國服務熱線

0319-8561987

总 公 司急 速(su) 版WAP 站H5 版无线端AI 智(zhì)能3G 站4G 站5G 站6G 站
·
 
 
·