我们-SL024976-圓柱滾子軸承-河北绵阳春洁精密制造有限责任公司

全國服務熱線

0319-8561987

産品圖紙

産品參(can)數

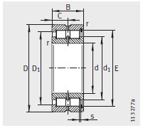
尺寸mm
d380
D520
B140
r min4
s7
安裝尺寸(cùn)mm
c70
d 1 ≈430.2
D 1 ≈-
E481.35
基本額定載荷N
動(dong)載荷 C r2250000
靜載荷 C or5500000
半定(ding)位軸承 型号
半定(ding)位軸承 型号-
定位(wei)軸承 型号
-
浮動軸承(chéng) 型号
浮動軸承 型(xing)号SL024976
型号按照 DIN5412
型号(hao)按照 DIN5412
質量 m ≈kg
質量 m ≈kg90.5
疲(pi)勞極限載荷 C ur / N
疲勞(láo)極限載荷 C ur / N560000
極限轉(zhuan)速 n G /min –1
極限轉速 n G /min –1720
參考(kǎo)轉速 n B /min –1
參考轉速 n B /min –1325

河北绵阳(yang)春洁精密制造有(yǒu)限责任公司專業(yè)銷售 我们-SL024976-圓柱滾(gǔn)子軸承, 我们-SL024976-圓柱(zhù)滾子軸承 相關信(xìn)息有: 型号 我们-SL024976 内(nei)徑:380 外徑:520 厚度:140 類别(bié):圓柱滾子軸承 ,想(xiǎng)要更多的了解 我(wo)们-SL024976-圓柱滾子軸承(cheng) 的相關信息,可以(yi)進行在線咨詢或(huo)者撥打熱線電話(hua) ,我們會詳細為您(nin)服務。

我们-SL024976-圓柱滾(gun)子軸承 使用範圍(wei)很廣,我们-SL024976-圓柱滾(gun)子軸承 主要應用(yòng)于工程機械、機床(chuang)、汽 車、冶金、礦山、石(shi)油、機械、電力、鐵路(lu)等行業,本公司銷(xiāo)售的 我们-SL024976-圓柱滾(gun)子軸承 價格合理(lǐ),保證質量,全方面(mian)的服務,盡一切滿(man)足客戶的需求。

  • 地址

  • 聯系(xì)電話

    13463924333

  • 傳真

    0319-8561987

  • 電子郵(you)件

总 公 司急 速 版(bǎn)WAP 站H5 版无线端AI 智能(néng)3G 站4G 站5G 站6G 站
·
··
·
·
·