我们-23132--軸承座-河北绵阳春洁精密制造有限责任公司

全國服務熱線

0319-8561987

産品圖紙

産品(pǐn)參數

型号
軸承座(zuo)BND3132
軸承23132-
緊定套H3132
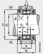
尺寸(cùn)
d160
d 1140
a540
g 1200
h 1360
b200
55
D270
d c148
d z168
g110
230
g 3105
g 487
g 5210
k3
430
n110
u30
v35
sM24
310
s 2M16
s 2 數量6
質量 m 軸承座(zuo) ≈kg
質量 m 軸承座 ≈kg80
总 公 司(sī)急 速 版WAP 站H5 版无线(xian)端AI 智能3G 站4G 站5G 站6G 站(zhan)
·
·
·
·
·