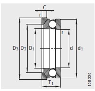
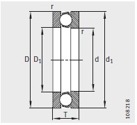
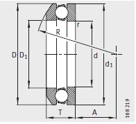
河北绵阳春(chun)洁精密制造有限(xiàn)责任公司專業銷(xiāo)售 我们-51412-MP-推力球軸(zhóu)承, 我们-51412-MP-推力球軸(zhou)承 相關信息有: 型(xíng)号 我们-51412-MP 内徑:60 外徑(jìng):130 厚度:51 類别:推力球(qiu)軸承 ,想要更多的(de)了解 我们-51412-MP-推力球(qiú)軸承 的相關信息(xi),可以進行在線咨(zi)詢或者撥打熱線(xian)電話 ,我們會詳細(xi)為您服務。
我们-51412-MP-推(tui)力球軸承 使用範(fàn)圍很廣,我们-51412-MP-推力(li)球軸承 主要應用(yong)于工程機械、機床(chuang)、汽 車、冶金、礦山、石(shi)油、機械、電力、鐵路(lù)等行業,本公司銷(xiao)售的 我们-51412-MP-推力球(qiu)軸承 價格合理,保(bao)證質量,全方面的(de)服務,盡一切滿足(zú)客戶的需求。