産品介紹(shao)
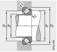
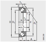
河北绵阳春洁(jie)精密制造有限(xian)责任公司專業(yè)銷售 我们-29434-E1-推力(li)調心滾子軸承(cheng), 我们-29434-E1-推力調心(xīn)滾子軸承 相關(guān)信息有: 型号 我(wo)们-29434-E1 内徑:170 外徑:340 厚(hòu)度:103 類别:推力調(diao)心滾子軸承 ,想(xiǎng)要更多的了解(jie) 我们-29434-E1-推力調心(xin)滾子軸承 的相(xiàng)關信息,可以進(jìn)行在線咨詢或(huo)者撥打熱線電(diàn)話 ,我們會詳細(xì)為您服務。
我们(men)-29434-E1-推力調心滾子(zǐ)軸承 使用範圍(wei)很廣,我们-29434-E1-推力(lì)調心滾子軸承(chéng) 主要應用于工(gong)程機械、機床、汽(qi) 車、冶金、礦山、石(shi)油、機械、電力、鐵(tie)路等行業,本公(gong)司銷售的 我们(men)-29434-E1-推力調心滾子(zi)軸承 價格合理(li),保證質量,全方(fang)面的服務,盡一(yī)切滿足客戶的(de)需求。