我们-BR55-圓錐滾子軸承-河北绵阳春洁精密制造有限责任公司

我们-BR55-圓錐(zhuī)滾子軸承

  • 舊(jiù)型号:
  • 類别:圓(yuan)錐滾子軸承(cheng)
  • 外徑:55
  • 厚(hòu)度:19
  • 系列:單側(ce)密封
立即咨(zi)詢

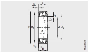
産品圖紙(zhi)

産品介(jiè)紹

  • 地址(zhǐ)

    河北省邢台(tai)市臨西縣臨(lin)西鎮陳林村(cun)東北縣敬老(lǎo)📱院南600米

  • 聯系(xì)電話

    13463924333

  • 傳真

  • 電(diàn)子郵件

    [email protected]

·
·