我们-AH24028-緊固件和止動件-河北绵阳春洁精密制造有限责任公司

全國服務熱(rè)線

0319-8561987

産(chǎn)品圖紙

産品(pǐn)參數

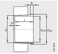
型号
型(xing)号AH24028
尺寸
d 1H135
d140
l83
a ≈10
b14
d 2GM145×2
質量(liang)m ≈
質量m ≈0.96

産品介(jie)紹

总 公 司(si)急 速 版WAP 站H5 版(ban)无线端AI 智能(neng)3G 站4G 站5G 站6G 站
·
·
·
·
·